危険
この表示の欄は「死亡または重傷等を負う危険が切迫して生じることが想定される」内容です。
パソコンや周辺機器の指示する警告、注意を厳守する- 動作不良の原因になります。
分解、改造、直接半田付けしない- 発熱・発火・破裂のおそれがあります。


この度は「 DEIJ-5GBTV3 」をお買い上げいただきまことにありがとうございます。本製品を正しく安全にご使用いただくため、ご使用の前に本書をよくお読みください。本書は「 DEIJ-5GBTV3 」のユーザーズマニュアルです。
お使いになる人や他の人への危害・財産への損害を未然に防止するため、必ずお守りいただくことを次のように説明しています。ご使用の際は必ずお守りください。
このような絵表示は、気をつけていただきたい「注意喚起」の内容です。
このような絵表示は、してはいけない「禁止」の内容です。
このような絵表示は、必ず実行していただく「強制」の内容です。この表示の欄は「死亡または重傷等を負う危険が切迫して生じることが想定される」内容です。
パソコンや周辺機器の指示する警告、注意を厳守する
分解、改造、直接半田付けしないこの表示の欄は「死亡または重傷等を負う可能性が想定される」内容です。
本体に水等をかけたり、濡れた手でコネクタ部に触れたりしないこの表示の欄は「傷害を負う可能性または物的損害のみが発生する可能性が想定される」内容です。
強い衝撃を与えない
煙が出たり、変なにおいがするときは電源を抜く
取り付け、取り外し時は電源を切ってから行う
取り付け方法に関わらず、使用する際は必ず接地する
本書は「 DEIJ-5GBTV3 」の対応機種、仕様、使用方法を記載したものです。対応機種をご確認の上、正しくご使用くださいますようお願いいたします。
また、記載されていない機種につきましては、弊社サポート係までご確認ください。
DEIJ-5GBTV3は、昇圧回路内蔵により、DC12~52Vの幅広い入力電源に対応した産業用PoEインジェクターです。
本製品は、定格DC12V入力に対して-10%の許容範囲(10.8V)までの電圧低下に対応しています。
10BASE-T/100BASE-TX/1000BASE-T/2.5GBASE-T/5GBASE-T対応のイーサネットポートが搭載されています。
IEEE802.3af/at/bt準拠のため、最大90Wの大容量給電を実現します。
動作温度範囲は-40~75℃と広域であるため、過酷な産業環境下でも使用できます。
コンパクト設計で制御盤の省スペース化に貢献します。
DINレール、壁掛け取り付けに対応できます。
万一不足がございましたら、お買い上げ販売店または弊社までご連絡ください。
シリアルNo.は側面ラベルに記載しております。
| 項目 | DEIJ-5GBTV3 | |
|---|---|---|
| ネットワーク | IEEE802.3、IEEE802.3u、IEEE802.3ab、IEEE802.3bz、IEEE802.3af、IEEE802.3at、IEEE802.3bt | |
| インタフェース | 10BASE-T/100BASE-TX/1000BASE-T/2.5GBASE-T/5GBASE-T | |
| ポート数 | RJ-45:2ポート | |
| PoE 給電ポート | ポート1 | |
| PoE 給電方式 | IEEE802.3af/at:2ペア Alternative-A (1/2、3/6) | |
| IEEE802.3bt:4ペア(1/2、3/6、4/5、7/8) | ||
| PoE 給電電力(MAX) | 90W | |
| 伝送速度(MAX) | 5Gbps | |
| LED | P1 P2 PoE | |
| 適合ケーブル | UTP/STPケーブル(CAT7/CAT6/CAT5e対応)※1 | |
| MTBF | 566,058時間 | |
| 電源 | DC12~52V※2(冗長電源)※3(逆極性保護) | |
| 消費電力(MAX) | 2W(PoE無)/100W(PoE有) | |
| ESD保護 | DC6000V | |
| サージ保護 | DC2000V | |
| ケース材質 | IP30 アルミニウム | |
| 適合規格 |
CE/FCC(クラスA) LVD (EN62368-1) EN61000-4-2、EN61000-4-3、EN61000-4-4 EN61000-4-5、EN61000-4-6、EN61000-4-8 IEC 60068-2-6、IEC 60068-2-27、IEC 60068-2-32 | |
| 取付方法 | DINレール取り付け、壁掛け取り付け | |
| 動作温度 | -40~75℃ | |
| 保存温度 | -40~85℃ | |
| 動作湿度 | 5~95% RH、結露なきこと | |
| 保存湿度 | 5~95% RH、結露なきこと | |
| 本体重量 | 313g ※4 | |
Ethernet Inと書かれたポートに非PoEハブやルーターを接続し、データを受け取ります。
PoE 90W Outと書かれたポートにPoE対応デバイスを接続します。
DEIJ-5GBTV3に電源(DC12~52V)を接続すると、データを送受信しながら最大90Wの電力をPoE対応デバイスに給電することができます。
※:「ネットワーク機器(PCやスイッチングハブ)」と「接続機器(IPカメラや無線機器など)」の間のケーブル長は、100m以内でご使用ください。
DEIJ-5GBTV3は、DC12~52V電源をV1/V2どちらか一方に入力すると使用できます。
2系統入力することで電源の冗長化(二重化)が可能です。
プラス線とマイナス線を端子台の+端子と-端子にそれぞれ正しく接続します。電力が供給されると正面のLEDのP1/P2は緑色に点灯します。
※:DEIJ-5GBTV3の端子台にはアース(接地)端子が用意されています。
取り付け方法に関わらず、安全上必ず接地してください。
DEIJ-5GBTV3の正面のLEDは電源、通信状態を示します。
LEDの表示内容は以下の通りです。
| LED | 色 | 状態 | 内容 |
|---|---|---|---|
| P1 | 緑 | 点灯 | 電源P1が通電中 |
| 消灯 | 電源P1が非通電 | ||
| P2 | 緑 | 点灯 | 電源P2が通電中 |
| 消灯 | 電源P2が非通電 | ||
| PoE | 橙 | 点灯 | PoE給電中 |
| 消灯 | PoE未給電 |
DINレール取り付けキットは、製品出荷時に取り付けられています。
取り付け方法は下記になります。
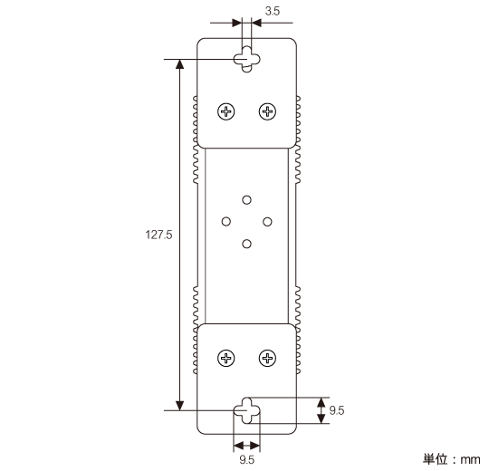
壁掛けキットは商品と同梱されています。
DINレールを取り付けキットを外し、合計4つのネジで以下の図のように取り付けてください。
壁に取り付けるためのネジはお客様にてご用意ください。
上記項目を確認したにも関わらずパケットが伝送されない場合は、再度ネットワーク構成状況を確認してください。
経済産業省 安全保障貿易管理(https://www.meti.go.jp/policy/anpo/index.html)
財団法人 安全保障貿易情報センター(https://www.cistec.or.jp/)